Está diseñado específicamente para medir con precisión y fiabilidad la velocidad del viento en condiciones ambientales adversas.
Sensor de velocidad del viento B-01-05-01-0100
El sensor de velocidad del viento B-01-05-01-0100 está diseñado específicamente para medir con precisión y fiabilidad la velocidad del viento en condiciones ambientales adversas. Los circuitos digitales capaces de una fuerte resistencia a RFI y EMI y compensación automática de temperatura están incorporados, emite señales de voltaje y corriente por inducción electromagnética, El valor y la velocidad horizontal del viento son una relación lineal. La carcasa está hecha de aleación de aluminio de alta resistencia, la copa de viento está hecha de acero inoxidable 304, la placa de PCB está pintada con un revestimiento anticorrosivo, con revestimiento resistente al agua y a la corrosión. El interior y la posición de giro tienen anillos de sellado con buena función de sellado, evitan la entrada de agua, niebla salina y polvo. El sensor de velocidad del viento B-01-06-01-0100 tiene un buen rendimiento en entornos hostiles.
Características de sensor
* Umbral de arranque bajo
* Construcción masiva totalmente metálica
* Gran capacidad de resistencia a la corrosión
* Copa de viento de acero inoxidable, carga antiviento hasta 70 m / s
* Diseño de doble rodamiento
* Diseño de protección contra sobretensiones
* Instalación fácil
Aplicaciones
* Estaciones de monitoreo del clima
* Monitoreo de seguridad de equipos de gran altitud
* Puertos
* Generación de energía solar y eólica
* Vehículos móviles de monitoreo del clima
* Barcos marinos
* Aeropuertos remotos y helipuertos
* Túneles de carreteras y ferrocarriles
Especificaciones
Corriente
Función de transferencia característica de voltaje:
V = U / (voltaje de escala completa-voltaje de punto cero) * 30 (Rango: 0-30m / s),
V = U / (voltaje de escala completa - voltaje de punto cero) * 60 (Rango: 0- 60m / s).
(donde V = velocidad del viento (m / s), U = voltaje de salida (V))
RS485
Si la distancia de transmisión es superior a 100 m, agregue un terminal de 120Ω que coincida con las resistencias en el extremo frontal y posterior de la interfaz del bus respectivamente. Consulte la especificación del protocolo de comunicación Modbus.
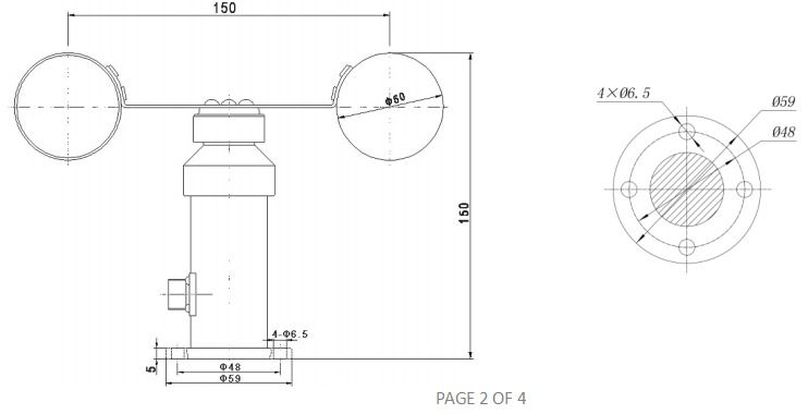
Dimensión y montaje
Montado en la brida, fije cuatro tornillos en el soporte y mantenga el producto horizontal.

Se recomienda usar un rango de 0-30 m / s, que puede obtener una mejor precisión de medición. Más de 30 m / s de viento es raro en tierra firme;
El voltaje predeterminado de la fuente de alimentación es 12-24 VCD, si tiene otros requisitos, confirme al realizar el pedido.